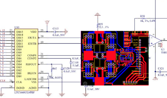
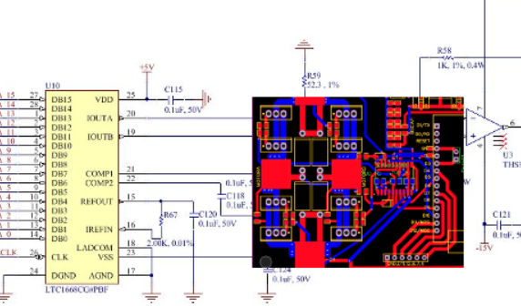
WHAT IS A PCB (PRINTED CIRCUIT BOARD)?
A printed circuit board (PCB) is an electronic assembly that uses copper conductors to create electrical connections between components. Printed circuit boards provide mechanical support for electronic components so that a device can be mounted in an enclosure. A printed circuit board design must include a specific set of steps that aligns with the manufacturing process, integrated circuit packaging, and the structure of the bare circuit board.
Conductive features on printed circuit boards include copper traces, pads, and conductive planes. The mechanical structure is made up of an insulating material laminated between layers of conductors. The overall structure is plated and covered with a non-conductive solder mask, and a silk screen material is printed on top of the solder mask to provide a legend for electronic components. After these fabrication steps are completed, the bare board is sent into printed circuit board assembly, where components are soldered to the board and the PCBA can be tested.










